Quartus Block Diagrams: RTL View & Technology Map
📌 Introduction
當我們撰寫完RTL code,想可視化以及確認綜合(Synthesis)是否符合預期。有許多工具可以使用,這邊筆記使用Quartus Prime中的RTL Viewer以及Technology Map Viewer。
- RTL Viewer – 根據HDL code 描述的邏輯畫出Block Diagram.
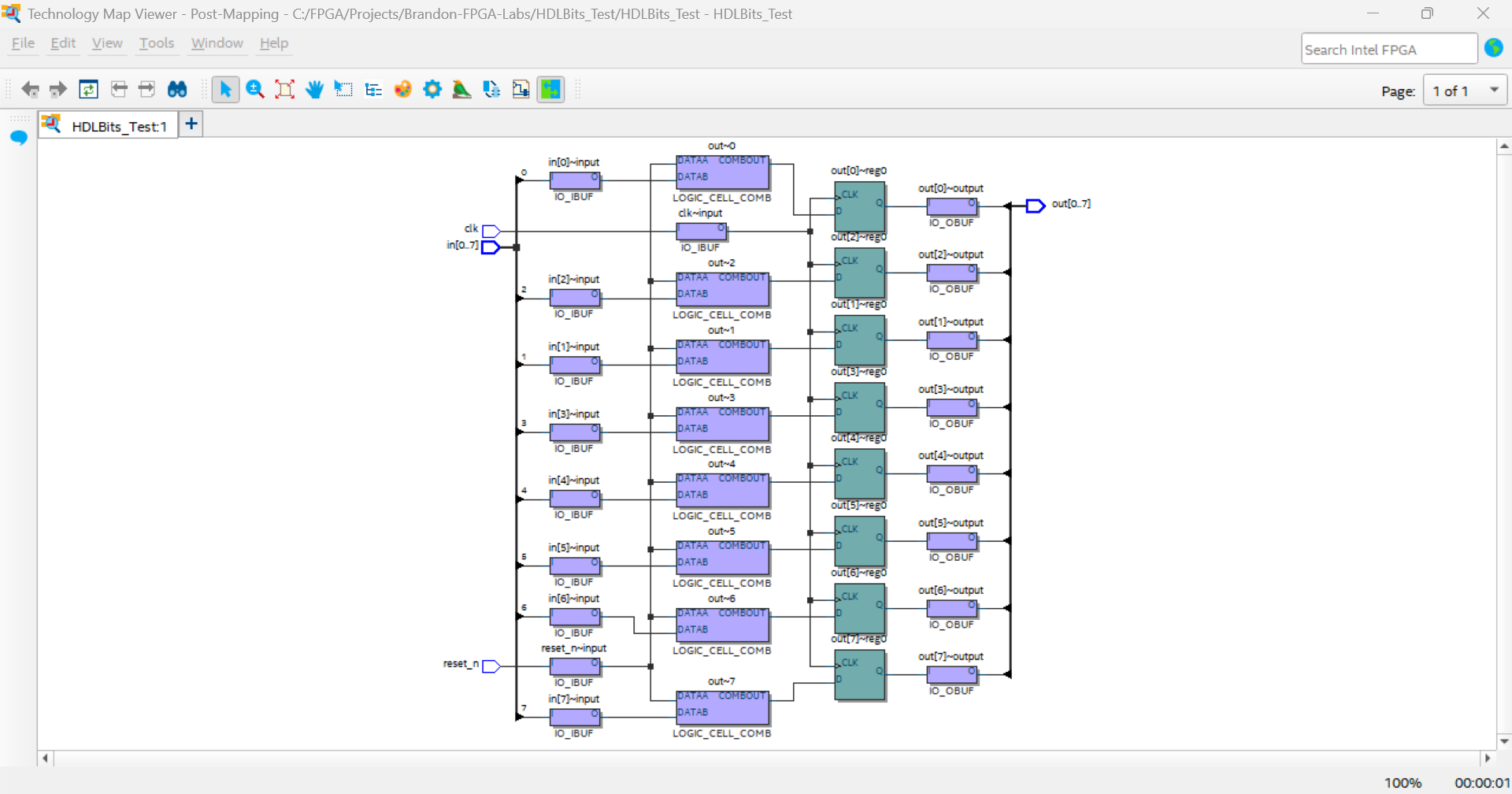
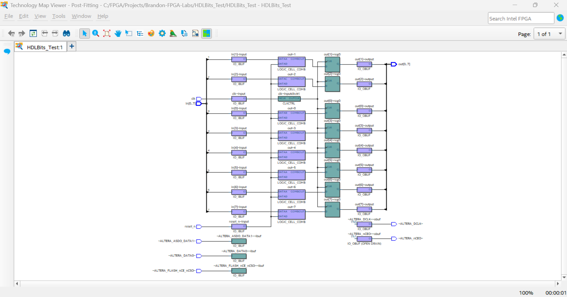
- Technology Map Viewer – Technology Map是已經根據選擇的Device所有的資源進行綜合,過程中產生的門級網表的可視化圖。 選擇Tool時會看到有Post Mapping / Post Fitting. Post Mapping 中已經轉換成FPGA邏輯單元,但還沒佈局布線。 Post Fitting則是已經完成佈局布線。
🔷 RTL View

🟩 Technology Map Viewer

