DFF and Gates
๐ Introduction
In this exercise, I explore how D flip-flops interact with basic gates and multiplexers to form sequential circuits.
๐งโ๐ป Code Example
DFF + Gate

module top_module (
input clk,
input in,
output reg out);
always @(posedge clk) begin
out <= out ^ in;
end
endmodule
Mux and DFF

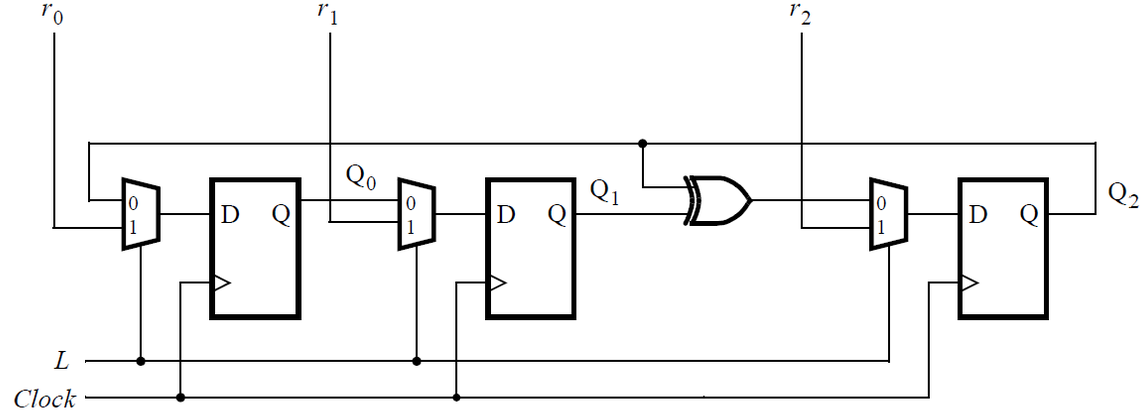
Implement hierarchical Verilog code for this circuit, using three instantiations of a submodule that has a flip-flop and multiplexer in it. Write a Verilog module (containing one flip-flop and multiplexer) named top_module for this submodule.
module top_module (
input clk,
input L,
input r_in,
input q_in,
output reg Q);
always @ (posedge clk) begin
Q <= (L)? r_in : q_in;
end
endmodule
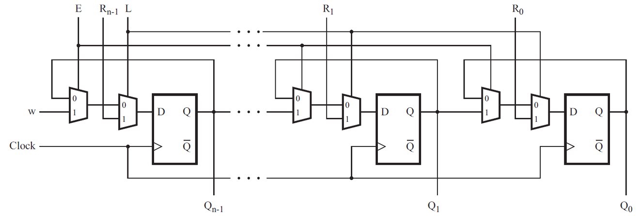
Mux and DFF (2)

module top_module (
input clk,
input w, R, E, L,
output reg Q
);
always @ (posedge clk) begin
Q <= (L)? R : ((E)? w : Q);
end
endmodule
DFFs and Gates

Given the finite state machine circuit as shown, assume that the D flip-flops are initially reset to zero before the machine begins. Be careful with the reset state. Ensure that each D flip-flopโs Q output is really the inverse of its Q output, even before the first clock edge of the simulation.
module DFF_s(input clk, input D, output reg Q);
initial Q=1'b0;
always @ (posedge clk) begin
Q <= D;
end
endmodule
module top_module (
input clk,
input x,
output z
);
wire Q0, Q1, Q2;
//wire Q0_bar = ~Q0;
wire Q1_bar = ~Q1;
wire Q2_bar = ~Q2;
DFF_s dff0(.clk(clk), .D( Q0 ^ x), .Q(Q0));
DFF_s dff1(.clk(clk), .D( Q1_bar & x), .Q(Q1));
DFF_s dff2(.clk(clk), .D( Q2_bar | x), .Q(Q2));
assign z = ~(Q0 | Q1 | Q2);
endmodule